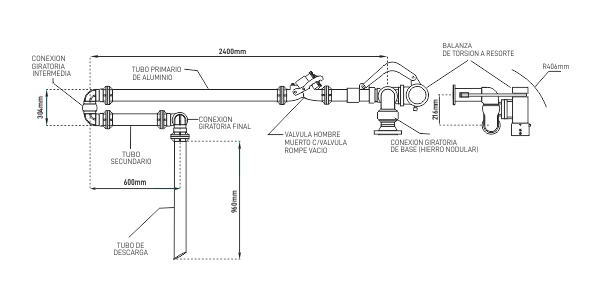
Brazos de carga superior, tanto para tambores, camiones, vagones, sistema de recuperación de vapores.
Este modelo permite que el tubo de descarga pueda acceder a distintas distancias.
Cuenta con 3 planos de rotación, y es ideal cuando la flota de camiones no es consistente en cuanto al diseño de cisterna, la cantidad y distancia entre ellas.
Posee una conexión giratoria adicional que le permite extender y retraer su extensión, funcionando como un pantógrafo, de esta manera adapta a mayor cantidad de bocas.
Es retráctil, robusto y resistente. Operación suave y segura.
Movilidad sobre su eje y sobre el plano horizontal presentando el pico de carga de manera perpendicular.

Diámetros Disponibles (desde):
• 1” = ideal para tambores.
• 2” = Utilizado generalmente en la industria quimica y por su bajo costo como primera opcion para el reemplazo de mangueras y evitar derrame, riesgo y esfuerzo en la operacion.
• 3” y 4" = Carga convencional de camiones tanques.
• 5” ó 6" = Utilizado para carga de Crudo, Asfaltos calefaccionados.
Materiales Disponibles:
• Aluminio AS7G
• AISI 304
• AISI 316
• ACERO SAE 1045
• Juntas y sellos EPDM / VITON / BUNA / TEFLON / KALREZ.
Accesorios:
Brida TTMA / Válvula de cierre / Deflector / Válvula rompe vacío / Porta válvula rompe vacío / Control remoto / Accesorio antigoteo / Traba de movimiento / Manija / Cono recuperador de vapor / Sensor de sobrellenado.